
Panorama-Adapter im Amateurfunk
Ein Panorama-Adapter ermöglicht die Darstellung des Frequenzspektrums rund um die aktuelle Empfangsfrequenz eines Transceivers. Typischerweise lassen sich mehrere 100 kHz Bandbreite sichtbar machen.
Gerade auf ruhigen Bändern hilft ein Blick auf das Spektrum, um Signale schnell zu finden. Im Pile-Up oder Split-Betrieb wird sofort sichtbar, wo andere Stationen senden oder arbeiten – ein klarer Vorteil im praktischen Funkbetrieb.
Die hier vorgestellte Lösung wurde für den ICOM IC-746 realisiert, lässt sich jedoch auf viele Transceiver mit hoher erster Zwischenfrequenz (ZF) übertragen.
Projektziele
Ziel des Projekts war eine einfache und rückwirkungsfreie Erweiterung des Transceivers:
- Minimaler Eingriff in das ZF-Signal
- Keine Rückwirkungen auf den Empfänger
- 50-Ω-Ausgang für SDR-Empfänger
- Keine irreversiblen Umbauten
- Keine Verschlechterung der Empfangseigenschaften
- Einsatz eines kostengünstigen RTL-SDR USB-Sticks
- CAT-Steuerung zwischen SDR-Software und Transceiver
Abgriff der ersten Zwischenfrequenz (ZF)
Der geeignete Punkt für den Signalabgriff liegt zwischen dem ersten Mischer und dem 1. ZF-Filter.




Beim IC-746 bietet sich der Widerstand R231 (82 Ω gegen Masse) als ideale Stelle an. Durch den niedrigen Widerstandswert kann ein hochohmiger Pufferverstärker problemlos angeschlossen werden, ohne das Signal zu beeinflussen.
Für eine möglichst große sichtbare Bandbreite muss der Abgriff vor dem ersten Filter erfolgen. Die 1. ZF von 69 MHz lässt sich direkt mit einem RTL-SDR empfangen – ohne zusätzliche Umsetzung.
👉 Nachteil:
- Starke Signale in der Nähe können zur Übersteuerung führen
- Der 1. Lokaloszillator (LO) ist deutlich sichtbar
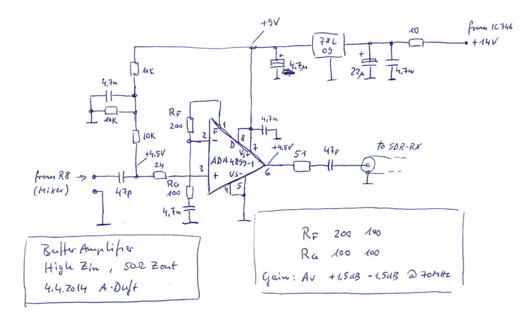
Pufferverstärker und Einbau

Zur Entkopplung wird ein Pufferverstärker eingesetzt:
- Hochohmiger Eingang (mehrere kΩ)
- Ausgangsimpedanz ca. 50 Ω
- Verstärkung etwa +1,5 dB bei 69 MHz
Als Verstärker kommt der ADA4899-1 zum Einsatz:
- Sehr geringes Rauschen
- Bandbreite bis 600 MHz


Der Aufbau erfolgt auf einer SMD-Prototypenplatine und wird direkt im Transceiver installiert.
An der Rückseite wird eine SMA-Buchse montiert, um den SDR-Empfänger anzuschließen.
👉 Einziger mechanischer Eingriff: ein Loch für die Buchse – ansonsten vollständig rückbaubar.

Signalpegel und Besonderheiten
Am Ausgang des Pufferverstärkers sind neben dem Nutzsignal auch die LO-Signale sichtbar.
Diese können – insbesondere bei RTL-SDR Sticks – zur Übersteuerung führen.
In der Praxis ist daher oft ein Dämpfungsglied oder eine Reduzierung der Verstärkung erforderlich.

Software und CAT-Steuerung
Für die Darstellung und Steuerung hat sich folgende Kombination bewährt:
- HDSDR → Spektrumanzeige
- OmniRig → CAT-Steuerung
- LOGGER32 → Logbuch + DX-Cluster
Nach einmaliger Einrichtung von Frequenzoffset und Kalibrierung ist die Bedienung sehr komfortabel:
👉 Klick im Spektrum → Transceiver stimmt automatisch auf die Frequenz ab
Für den Parallelbetrieb von SDR-Software und Logprogramm wird ein Port-Splitter benötigt. Dabei handelt es sich um eine Software, die beiden Programmen den Zugriff auf einen einzigen COM-Port erlaubt.
Praktische Erfahrungen
Im Betrieb zeigt sich:
- Die automatische Verstärkungsregelung (AGC) vieler RTL-SDR Sticks ist überfordert
- Eine manuelle Gain-Einstellung liefert deutlich bessere Ergebnisse
- Besonders im Contest oder Pile-Up ist der Panorama-Adapter ein großer Vorteil
Fazit
Der Panorama-Adapter ist eine sehr effektive Erweiterung für klassische Transceiver wie den IC-746.
Mit geringem Aufwand erhält man:
- eine moderne Spektrumanzeige
- bessere Übersicht im Band
- deutlich mehr Komfort im Funkbetrieb
Dank des minimalinvasiven Aufbaus und der kostengünstigen SDR-Technik ist dieses Projekt eine sehr lohnenswerte Möglichkeit, auch ältere Transceiver mit moderner Technik weiter zu nutzen.
Bei mir ist der IC-746 regelmäßig bei UKW-Contesten auf 144 MHz im Einsatz. Mit Eigenbau-Transvertern verwende ich ihn zusätzlich auf 432 MHz und 1296 MHz.
Gerade wenn auf den Bändern wenig Betrieb herrscht, entgeht einem dank der Live-Spektrumdarstellung im gesamten interessanten Contestbereich keine Station mehr.
